Perfil de aluminio extruido para empezar a hacer estructuras mecánicas y mecanismos de manera fácil y rápida.
INFO
Los perfiles de aluminio extruido V-Slot fueron diseñados por Openbuilds como una mejora a los perfiles T-Slot. Los perfiles V-Slot permiten construir de forma rápida y sencilla estructuras mecánicas, soportes y mecanismos. Reciben el nombre de V-Slot por la ranura en forma de "V" que permite actuar como guía lineal para las ruedas V, la unión tipo V es muy superior a la tipo T para la construcción de mecanismos lineales, por esta razón los perfiles V-Slot son ideales para construir estructuras de máquinas CNC, impresoras 3D, robots cartesianos y cualquier diseño que puedas imaginar.
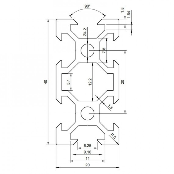
El Perfil V-Slot 2040 tiene una sección transversal de 20*40mm, posee 1 ranura V en la cara de 20mm y 2 ranuras en la cara de 40mm. Es el perfil ideal para estructuras y mecanismos lineales con ruedas y correa dentada.
Como complemento a los perfiles de aluminio V-Slot contamos con una gran gama de accesorios, conectores, uniones, tornillos y herramientas. Disponibles en la web de Naylamp Mechatronics y en el Catálogo V-Slot.
*ENVÍO: Envíos solo a oficina del transportista seleccionado (entrega a domicilio no disponible). El costo del flete será asumido por el cliente.
*SERVICIO DE CORTE: Corte en Sierra Ingleteadora, Precisión: +-1mm. Cada corte produce una perdida de 4mm aprox. Por la compra de cada perfil completo se incluye 1 corte gratis. Precio por cada corte adicional 2040: 5.00 soles.
*NOTA: Cantidad mínima para envío de perfiles enteros L3.2m: 4 und. Es posible enviar cantidades menores en secciones cortadas de hasta L1m. Puede solicitar una cotización de perfiles y cortes al correo: [email protected] o al Whatsapp: 997646858
ESPECIFICACIONES TÉCNICAS
- Material: Aluminio 6063 T-5
- Tamaño: 20x40mm
- Longitud: 3.2 metros
- Peso: 0.808 Kg por metro
- Acabado Superficial: Natural (Plateado)
- Momentos de inercia de áreas: Ix = 48.163 x10^-9 m^4, Iy = 12.305 x10^-9 m^4


