Perfil de aluminio extruido 20x20 de 3 metros de longitud, ideal para empezar a hacer estructuras mecánicas y mecanismos de manera fácil y rápida.
INFO
Los perfiles de aluminio extruido V-Slot fueron diseñados por Openbuilds como una mejora a los perfiles T-Slot. Los perfiles V-Slot permiten construir de forma rápida y sencilla estructuras mecánicas, soportes y mecanismos. Reciben el nombre de V-Slot por la ranura en forma de "V" que permite actuar como guía lineal para las ruedas V, la unión tipo V es muy superior a la tipo T para la construcción de mecanismos lineales, por esta razón los perfiles V-Slot son ideales para construir estructuras de máquinas CNC, impresoras 3D, robots cartesianos y cualquier diseño que puedas imaginar.
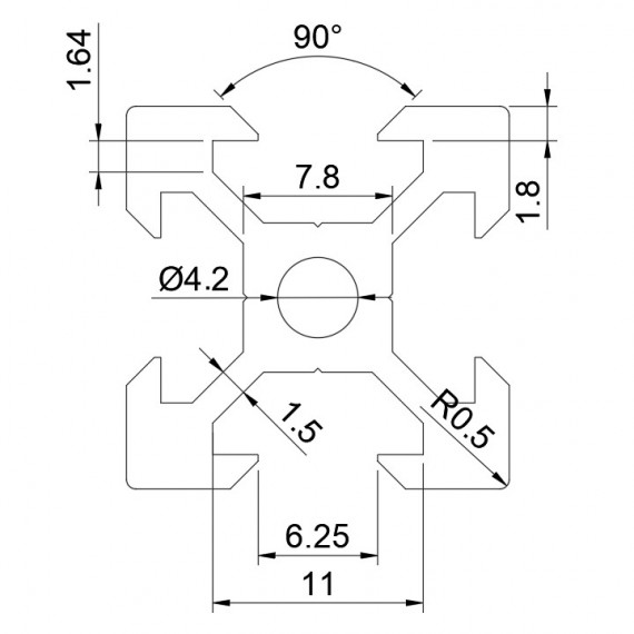
El Perfil V-Slot 2020 es el perfil más pequeño de la familia V-Slot, tiene una sección transversal de 20mm de lado, con una ranura V por cada lado y un agujero en su núcleo. Ideal para estructuras ligeras.
Como complemento a los perfiles de aluminio V-Slot contamos con una gran gama de accesorios, conectores, uniones, tornillos y herramientas. Disponibles en la web de Naylamp Mechatronics y en el Catálogo V-Slot.
*ENVÍO: Envíos solo a oficina del transportista seleccionado (entrega a domicilio no disponible). El costo del flete será asumido por el cliente.
*SERVICIO DE CORTE: Corte en Sierra Ingleteadora, Precisión: +-1mm. Cada corte produce una perdida de 4mm aprox. Por la compra de cada perfil completo se incluye 1 corte gratis. Precio por cada corte adicional 2020: 2.50 soles.
*NOTA: Cantidad mínima para envío de perfiles enteros L3.0m: 8 und. Es posible enviar cantidades menores en secciones cortadas de hasta L1m. Puede solicitar una cotización de perfiles y cortes al correo: [email protected] o al Whatsapp: 997646858
ESPECIFICACIONES TÉCNICAS
- Material: Aluminio 6063 T-5
- Dimensiones: 20*20 mm
- Longitud: 3.0 metros
- Peso: 0.464 Kg por metro
- Acabado Superficial: Natural (Plateado)
- Momentos de inercia de áreas: Ix = 6.988 x10^-9 m^4, Iy = 6.988 x10^-9 m^4
- Módulo de elasticidad (E): 69500 MPa
- Límite elástico (Rp 0,2): 175 MPa
- Tensión de rotura (Rm): 215 MPa
- Límite a la fatiga: 150 MPa
- Resistencia a la cizalladura: 135 MPa


